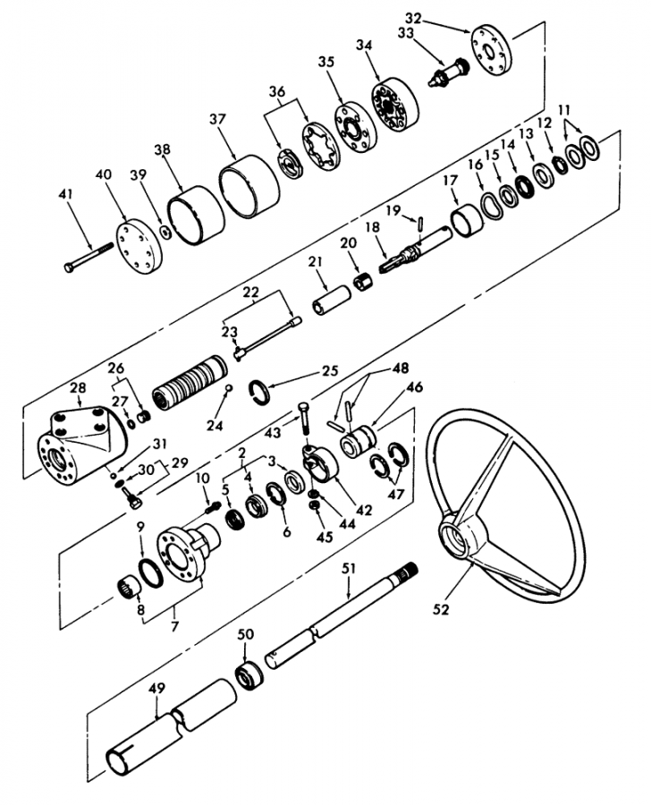
Catálogo NEW HOLLAND CAJA, TRANSMISION Y DIFERENCIAL 86585543 LAINAS DE AJUSTE FIG. 11

D2NN3C614A

86585543 LAINAS DE AJUSTE FIG. 11

APLICACIONES
APLICACIONES:
 
Cantidad
  • Código
    D2NN3C614A
  • Categoría
    NEW HOLLAND
  • Marca
    NEW HOLLAND

Productos relacionados