0
Te atendemos por whatsapp
Home
La Empresa
Productos
Garantía
Contacto
whatsapp
0
Home
La Empresa
Productos
Garantía
Contacto
Catálogo
JOHN DEERE
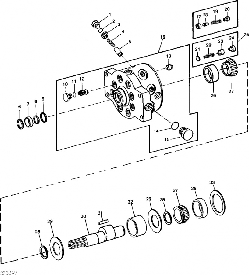
CAJA,TRANSMISION, DIFERENCIAL
ARANDELA ASIENTO VALVULA BOMBA HIDRAULICA
R27155
ARANDELA ASIENTO VALVULA BOMBA HIDRAULICA
APLICACIONES
JOHN DEERE.
3020, 4020, JD500, JD600, 2510, JD300, JD400, 5020, 570, 570A, JD544, JD544A,
Cantidad
Solicitar presupuesto
binocolo
red dot sight
Código
R27155
Categoría
JOHN DEERE
Marca
GEPSA PARTS
Códigos alternos
FIGURA 17 USADA EN BOMBAS AR45345, AR56160, AR90459,
Productos relacionados
SELLO CUADRADO PARA CAMISA AR51902
R48637
BOMBA DE AGUA
RE549117
KIT CYLINDER D. 106,5mm. PIN 41mm.
RE33115
ROTADOR DE LA VALVULA FIG. 2
RE31323