0
Te atendemos por whatsapp
Home
La Empresa
Productos
Garantía
Contacto
whatsapp
0
Home
La Empresa
Productos
Garantía
Contacto
Catálogo
JOHN DEERE
SISTEMA HIDRAULICO Y ENGANCHES
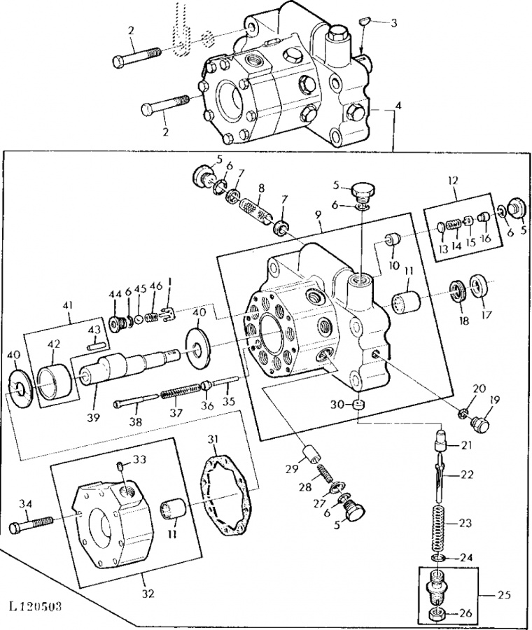
EJE BOMBA HIDRAULICA FIG. 39
R39319
EJE BOMBA HIDRAULICA FIG. 39
APLICACIONES
JOHN DEERE.
2020, 2030, 2630, 2440, 2140, 3030, 3130, 2130, 1630, 1840, 3140, 3040, 2040S, 3050, 3350, 2650, 2850,
Cantidad
Solicitar presupuesto
binocolo
red dot sight
Código
R39319
Categoría
JOHN DEERE
Marca
GEPSA PARTS
Productos relacionados
RESORTES ADMISION Y ESCAPE
R91822
BIELA D. 30mm.
AT18005
ANILLOS 6466D
AR87753
COJINETES BIELA STD.
RE529318