Catálogo JOHN DEERE CAJA,TRANSMISION, DIFERENCIAL LAINA DE LA DIRECCION

R55243

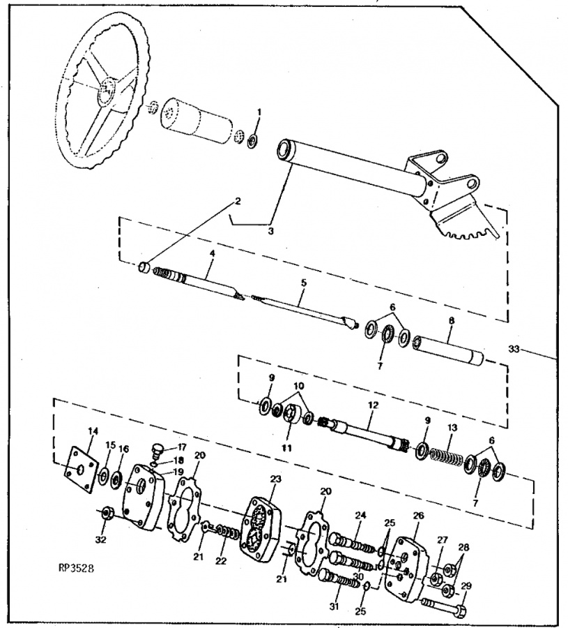
LAINA DE LA DIRECCION

APLICACIONES
JOHN DEERE
 
Cantidad
  • Código
    R55243
  • Categoría
    JOHN DEERE
  • Marca
    GEPSA PARTS

Productos relacionados