0
Te atendemos por whatsapp
Home
La Empresa
Productos
Garantía
Contacto
whatsapp
0
Home
La Empresa
Productos
Garantía
Contacto
Catálogo
JOHN DEERE
SISTEMA INYECCION
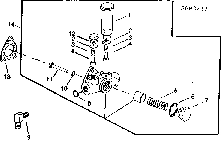
BOMBIN FIG. 14
RE20042
BOMBIN FIG. 14
APLICACIONES
JOHN DEERE
4040, 4240, 4440, 4640, 4840, 4050, 4250, 4450, 4650, 4850,
Cantidad
Solicitar presupuesto
binocolo
red dot sight
Código
RE20042
Categoría
JOHN DEERE
Marca
GEPSA PARTS
Productos relacionados
ARANDELA FIG. 15
24M7227
DISCO SEPARADOR FRENOS FIG. 6
R78430
RETEN PASADOR DE PISTON D. 47mm
E1343FN
BOMBA DE AGUA
RE18676