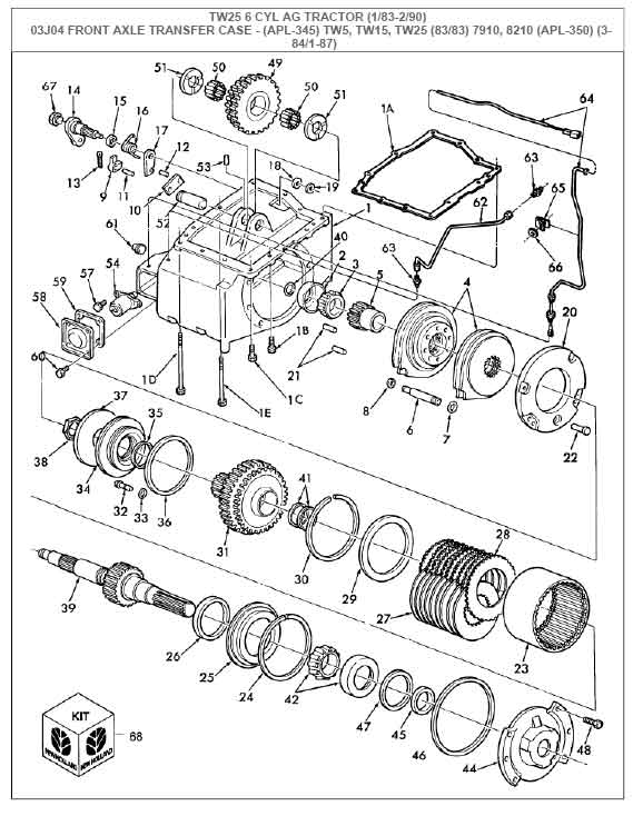
Catálogo NEW HOLLAND CAJA, TRANSMISION Y DIFERENCIAL 83934223 SELLO FIG. 46

E2NN7Z119AA

83934223 SELLO FIG. 46

APLICACIONES
APLICACIONES
 
Cantidad
  • Código
    E2NN7Z119AA
  • Categoría
    NEW HOLLAND
  • Marca
    GEPSA PARTS

Productos relacionados