Catálogo JOHN DEERE CAJA,TRANSMISION, DIFERENCIAL EMPACADURA FIGURA 12

T21528

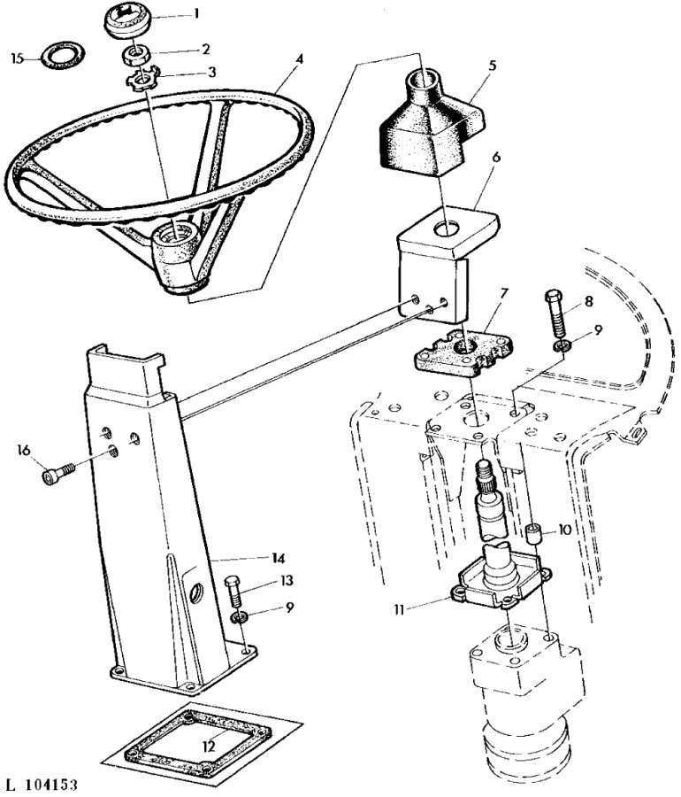
EMPACADURA FIGURA 12

APLICACIONES
APLICACIONES.
 
Cantidad
  • Código
    T21528
  • Categoría
    JOHN DEERE
  • Marca
    GEPSA PARTS

Productos relacionados