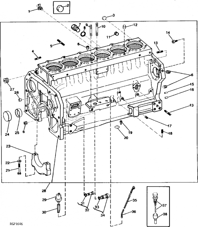
Catálogo JOHN DEERE EMPAQUETADURAS Y SELLOS 83927817 SELLO FIG. 8

U13639

83927817 SELLO FIG. 8

APLICACIONES
JOHN DEERE
 
Cantidad
  • Código
    U13639
  • Categoría
    JOHN DEERE
  • Marca
    GEPSA PARTS

Productos relacionados