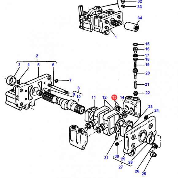
Catálogo MASSEY FERGUSON ENGANCHES, PTO, HIDRAULICO AROS BOMBA HIDRAULICA 23.1mm FIG. 13

892604M1

AROS BOMBA HIDRAULICA 23.1mm FIG. 13

APLICACIONES
APLICACIONES
 
Cantidad
  • Código
    892604M1
  • Categoría
    MASSEY FERGUSON
  • Marca
    GEPSA PARTS

Productos relacionados