0
Te atendemos por whatsapp
Home
La Empresa
Productos
Garantía
Contacto
whatsapp
0
Home
La Empresa
Productos
Garantía
Contacto
Catálogo
CATERPILLAR
MOTOR
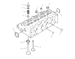
RESORTES DE VALVULAS
1903748
RESORTES DE VALVULAS
APLICACIONES
CATERPILLAR
3013C, C1.5,
ESN: G3P, 313, C5N, G7N, E1M,
Cantidad
Solicitar presupuesto
binocolo
red dot sight
Código
1903748
Categoría
CATERPILLAR
Marca
GEPSA PARTS
Códigos alternos
190-3748,
Productos relacionados
BOCINA DEL CIGUEÑAL 0.10
3024181
ENFRIADOR DE ACEITE
1252970
JGO. COJINETES DE BANCADA 0.50
1526793
BOCINA DE BIELA
3202352