Catálogo MASSEY FERGUSON MOTOR KIT DE PISTON

4222134M91

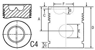
KIT DE PISTON

APLICACIONES
MASSEY FERGUSON
4260, 4360, 4270, 4370, 6260, 6270, 6280, 6290, 8210, 8220, 
ARREGLOS: YG31300, YH31302, YG31427, TG31472, YH31428, YH31473, YH31429, YH31474, YH31430, YH31475, YH31441, YK31431, 
Cantidad
  • Código
    4222134M91
  • Categoría
    MASSEY FERGUSON
  • Marca
    GEPSA PARTS

Códigos alternos

4222268M91, 4222819M91, 

Productos relacionados