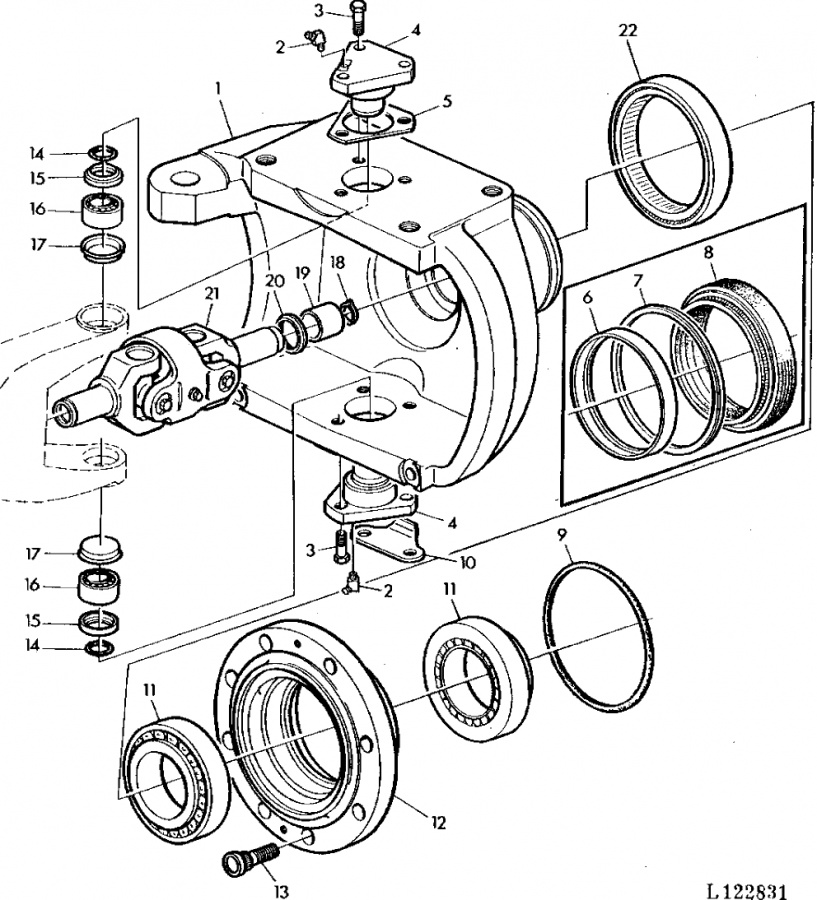
Catálogo NEW HOLLAND DIRECCION, EJE DELANTERO CAMISA APL365 FIG. 6

ZP4472355118

CAMISA APL365 FIG. 6

APLICACIONES
FORD NEW HOLLAND.
TW25, 8830, TW35, 
Cantidad
  • Código
    ZP4472355118
  • Categoría
    NEW HOLLAND
  • Marca
    GEPSA PARTS

Códigos alternos

4472355118, 3944549, 83944549, 

Productos relacionados