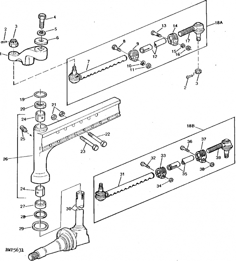
Catálogo JOHN DEERE EJE DELANTERO, DIRECCION TERMINAL DIRECCION BARRA FIG. 7

AL110130

TERMINAL DIRECCION BARRA FIG. 7

APLICACIONES
JOHN DEERE.
3120, 3130, 2840,
Cantidad
  • Código
    AL110130
  • Categoría
    JOHN DEERE
  • Marca
    GEPSA PARTS

Códigos alternos

AL27534, AL38646,

Productos relacionados